X

เซ็นเซอร์วัดระดับแบบลูกลอยแม่เหล็ก

(0) 0 รีวิว 0 คำสั่งซื้อ 0 รายการที่ที่ชอบ
จำนวน :
สินค้าสั่งผลิตมัดจำ 50% :

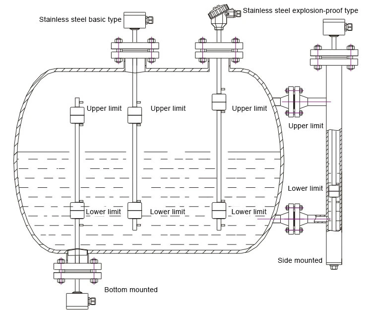
เซ็นเซอร์วัดระดับแบบลูกลอยแม่เหล็ก (Magnetic Float Level Sensor) คือ อุปกรณ์ที่ใช้สำหรับวัดระดับของเหลวในถังหรือภาชนะ โดยอาศัยหลักการลอยตัวของลูกลอยและการเหนี่ยวนำแม่เหล็กเพื่อตรวจจับระดับของเหลว.

หลักการทำงาน:

ลูกลอย: ภายในเซ็นเซอร์จะมีลูกลอยที่สามารถลอยตัวขึ้นลงได้ตามระดับของเหลว.

แม่เหล็ก: ลูกลอยจะมีแม่เหล็กติดตั้งอยู่ภายใน.

สวิตช์: ภายในท่อหรือตัวเซ็นเซอร์จะมีสวิตช์แม่เหล็ก (Reed Switch) ที่ถูกกระตุ้นด้วยสนามแม่เหล็กจากลูกลอย.

การตรวจจับ: เมื่อระดับของเหลวเปลี่ยนแปลง ลูกลอยก็จะลอยขึ้นหรือลง ทำให้แม่เหล็กในลูกลอยเคลื่อนที่เข้าใกล้หรือห่างจากสวิตช์แม่เหล็ก.

การส่งสัญญาณ: การเคลื่อนที่ของแม่เหล็กจะส่งผลให้สวิตช์แม่เหล็กทำงาน (เปิด/ปิด) ซึ่งสามารถนำไปใช้ในการควบคุมปั๊ม, วาล์ว หรือระบบอื่นๆ ที่เกี่ยวข้องกับระดับของเหลว.

ประเภทของเซ็นเซอร์วัดระดับแบบลูกลอยแม่เหล็ก:

แบบก้าน (Rod Type): ตัวลูกลอยจะติดตั้งอยู่บนก้านที่สามารถปรับความยาวได้.

แบบสายเคเบิล (Cable Type): ตัวลูกลอยจะเชื่อมต่อกับสายเคเบิล.

แบบตุ้มถ่วง (Sinker Type): ตัวลูกลอยจะมาพร้อมกับตุ้มถ่วงเพื่อช่วยในการลอยตัว.

ข้อดี:

ความน่าเชื่อถือ: เป็นอุปกรณ์ที่ค่อนข้างทนทานและมีความแม่นยำในการวัดระดับของเหลว.

ความหลากหลาย: สามารถใช้งานได้กับของเหลวหลายชนิด และสามารถปรับแต่งให้เหมาะสมกับการใช้งานที่แตกต่างกันได้.

ความปลอดภัย: สามารถใช้งานในสภาพแวดล้อมที่อันตรายได้ เนื่องจากตัวเซ็นเซอร์ไม่จำเป็นต้องสัมผัสกับของเหลวโดยตรง.

ข้อควรพิจารณา:

ความหนาแน่นของของเหลว: ควรเลือกใช้เซ็นเซอร์ที่เหมาะสมกับความหนาแน่นของของเหลวที่จะวัด.

ความหนืดของของเหลว: ของเหลวที่มีความหนืดสูงอาจทำให้ลูกลอยทำงานได้ไม่เต็มประสิทธิภาพ.

ความสะอาดของของเหลว: ของเหลวที่มีสิ่งเจือปนอาจทำให้เกิดการอุดตันในตัวเซ็นเซอร์ได้

Product Parameter

Max Insert DepthL=5m(>5m customize)
Max Control ScopeL-120mm
Min Control Scope50mm(<50mm customize)
Medium Density≧0.65g/cm3
Working PressurePN2.5~ PN160
Working Temperature-40~150 ℃
Float DiameterФ28~Ф120(depending on pressure and density)
Installation TypeFlange: DN40~DN150
Flange standard: HG/T20592~2009
(Pressure≧PN25, Flange≧DN125)
G2” thread
Other method (consulting)
Maximum Switch Frequency≦1×105
Error±8±2mm
Working Power Supply220VAC/380VAC
Max Voltage of Switch≦250VAC
Max Current of Switch5A
Installation Angle≦±25°
Wiring BoxM20×1.5 female thread
Protection GradeIP65
Explosion-proof GradeExd II CT6Gb


No review given yet!

ฟรีส่งสินค้าถึงหน้าบ้าน
เครดิตสำหรับผู้ประกอบการ
มีประกันสินค้า
สินค้าของแท้

คุณอาจสนใจสินค้านี้

สวิตช์ระดับของเหลวแบบลูกลอย

฿1.00

เครื่องวัดอัตราการไหลแบบวอร์เท็กซ์ รุ่น LUGB

฿1.00

สวิตช์ควบคุมระดับน้ำแบบลอย Smart UQK

฿1.00

สวิตช์ควบคุมระดับน้ำแบบแม่เหล็ก UQK สแตนเลสทนอุณหภูมิสูงสำหรับอุตสาหกรรม

฿1.00

เครื่องส่งสัญญาณระดับแบบดิสเพลเซอร์ไฟฟ้า

฿1.00

เซ็นเซอร์วัดระดับแบบลูกลอยแม่เหล็ก
฿1.00 ฿0.00
฿1.00