X

สวิตช์ระดับของเหลวแบบลูกลอย

(0) 0 รีวิว 0 คำสั่งซื้อ 0 รายการที่ที่ชอบ
จำนวน :
สินค้าสั่งผลิตมัดจำ 50% :

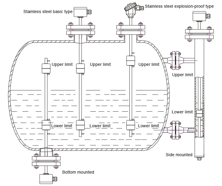
Magnetic Float Level Switch คือ สวิตช์ระดับของเหลวแบบลูกลอยที่ใช้หลักการของแม่เหล็กในการตรวจจับระดับของเหลว โดยจะประกอบด้วยลูกลอยที่มีแม่เหล็กฝังอยู่ภายใน และก้านที่มีชุดรีดสวิตช์ (Reed Switch) ติดตั้งอยู่ เมื่อระดับของเหลวเปลี่ยนแปลงจะทำให้ลูกลอยเคลื่อนที่ขึ้น-ลงตามไปด้วย ทำให้แม่เหล็กในลูกลอยเคลื่อนที่ไปกระตุ้นให้รีดสวิตช์เปิดหรือปิดวงจรไฟฟ้า

หลักการทำงาน

ระดับของเหลวเพิ่มขึ้น: ลูกลอยจะลอยตามขึ้นไป เมื่อแม่เหล็กในลูกลอยเคลื่อนที่ไปถึงตำแหน่งรีดสวิตช์ จะทำให้วงจรไฟฟ้าปิด

ระดับของเหลวลดลง: ลูกลอยจะจมลง เมื่อแม่เหล็กในลูกลอยเคลื่อนที่ออกจากตำแหน่งรีดสวิตช์ จะทำให้วงจรไฟฟ้าเปิด

การควบคุม: สัญญาณจากสวิตช์นี้สามารถนำไปใช้สั่งการอุปกรณ์อื่นๆ เช่น ปั๊ม หรือส่งสัญญาณเตือนไปยังระบบควบคุม (PLC) ได้

คุณสมบัติ

มีความแม่นยำและเชื่อถือได้: เป็นเทคโนโลยีที่ใช้กันอย่างแพร่หลายในการตรวจสอบระดับของเหลวในอุตสาหกรรม

สามารถติดตั้งได้หลายจุด: สวิตช์รุ่นที่มีลูกลอยหลายตัวบนก้านเดียว สามารถตรวจจับระดับได้หลายจุดในถังเดียวได้

ทนต่ออุณหภูมิสูง: สามารถรองรับการใช้งานในสภาพแวดล้อมที่มีอุณหภูมิสูงได้ในบางรุ่น

ใช้งานได้หลากหลาย: เหมาะสำหรับของเหลวหลายประเภทที่ไม่กัดกร่อนวัสดุของสวิตช์


ติดต่อเรา

No review given yet!

ฟรีส่งสินค้าถึงหน้าบ้าน
เครดิตสำหรับผู้ประกอบการ
มีประกันสินค้า
สินค้าของแท้

คุณอาจสนใจสินค้านี้

เครื่องวัดอัตราการไหลแบบวอร์เท็กซ์ รุ่น LUGB

฿1.00

สวิตช์ควบคุมระดับน้ำแบบลอย Smart UQK

฿1.00

สวิตช์ควบคุมระดับน้ำแบบแม่เหล็ก UQK สแตนเลสทนอุณหภูมิสูงสำหรับอุตสาหกรรม

฿1.00

เครื่องส่งสัญญาณระดับแบบดิสเพลเซอร์ไฟฟ้า

฿1.00

เครื่องวัดระดับน้ำแบบจุ่มใต้น้ำ

฿1.00

สวิตช์ระดับของเหลวแบบลูกลอย
฿1.00 ฿0.00
฿1.00